• Home
  • Chemistry
  • Astronomy
  • Energy
  • Nature
  • Biology
  • Physics
  • Electronics
  • New LED Technology Could Revolutionize Water Purification in Remote Areas
    New LED Technology Could Revolutionize Water Purification in Remote Areas

    Ohio State University researchers have developed a technique to create light emitting diodes on metal foil. Credit: Brelon J. May, courtesy of The Ohio State University.

    For the first time, researchers have created light-emitting diodes (LEDs) on lightweight flexible metal foil.

    Engineers at The Ohio State University are developing the foil based LEDs for portable ultraviolet (UV) lights that soldiers and others can use to purify drinking water and sterilize medical equipment.

    In the journal Applied Physics Letters, the researchers describe how they designed the LEDs to shine in the high-energy "deep" end of the UV spectrum. The university will license the technology to industry for further development.

    Deep UV light is already used by the military, humanitarian organizations and industry for applications ranging from detection of biological agents to curing plastics, explained Roberto Myers, associate professor of materials science and engineering at Ohio State.

    The problem is that conventional deep-UV lamps are too heavy to easily carry around.

    "Right now, if you want to make deep ultraviolet light, you've got to use mercury lamps," said Myers, who is also an associate professor of electrical and computer engineering. "Mercury is toxic and the lamps are bulky and electrically inefficient. LEDs, on the other hand, are really efficient, so if we could make UV LEDs that are safe and portable and cheap, we could make safe drinking water wherever we need it."

    New LED Technology Could Revolutionize Water Purification in Remote Areas

    Nanowires were grown on titanium foil at The Ohio State University. Credit: Brelon J. May, courtesy of The Ohio State University.

    He noted that other research groups have fabricated deep-UV LEDs at the laboratory scale, but only by using extremely pure, rigid single-crystal semiconductors as substrates—a strategy that imposes an enormous cost barrier for industry.

    Foil-based nanotechnology could enable large-scale production of a lighter, cheaper and more environmentally friendly deep-UV LED. But Myers and materials science doctoral student Brelon J. May hope that their technology will do something more: turn a niche research field known as nanophotonics into a viable industry.

    "People always said that nanophotonics will never be commercially important, because you can't scale them up. Well, now we can. We can make a sheet of them if we want," Myers said. "That means we can consider nanophotonics for large-scale manufacturing."

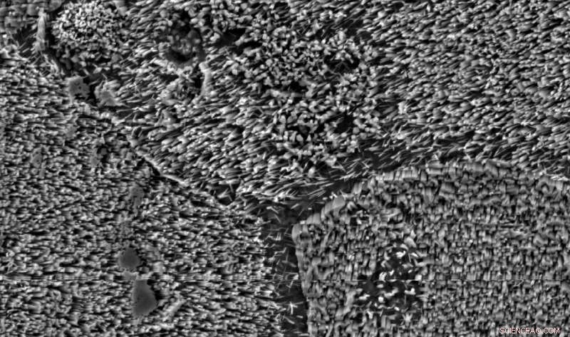
    In part, this new development relies on a well-established semiconductor growth technique known as molecular beam epitaxy, in which vaporized elemental materials settle on a surface and self-organize into layers or nanostructures. The Ohio State researchers used this technique to grow a carpet of tightly packed aluminum gallium nitride wires on pieces of metal foil such as titanium and tantalum.

    The individual wires measure about 200 nanometers tall and about 20-50 nanometers in diameter—thousands of times narrower than a human hair and invisible to the naked eye.

    In laboratory tests, the nanowires grown on metal foils lit up nearly as brightly as those manufactured on the more expensive and less flexible single-crystal silicon.

    The researchers are working to make the nanowire LEDs even brighter, and will next try to grow the wires on foils made from more common metals, including steel and aluminum.


    Science Discoveries © www.scienceaq.com