• Home
  • Chemistry
  • Astronomy
  • Energy
  • Nature
  • Biology
  • Physics
  • Electronics
  • Revealing a New Class of Nano Materials
    Revealing a New Class of Nano Materials

    Ultra-high vacuum chamber at the DESY-NanoLab, in which the spectroscopic analysis was carried out to characterise the nature of the bond formed by the oleic acid molecules. Credit: DESY, Heiner Müller-Elsner

    Classical materials such as ceramics, metals and polymers have their typical mechanical properties. They are hard, soft, strong, flexible or stiff. Hamburg research scientists have now synthesized a material that unites several different properties, and could thereby open the way to new applications in medical engineering and manufacturing. The scientists from the Hamburg University of Technology (TUHH), the University of Hamburg, the Helmholtz Centre Geesthacht and DESY have presented their novel nanocomposite in the journal Nature Materials. This new class of material could for example be suitable for filling dental cavities, or manufacturing watch cases. The materials used in applications like these need to be both hard and damage-tolerant.

    The research scientists have developed a new technique which produces a material that is at the same time strong, hard and stiff. To achieve this, the scientists first employed a standard procedure, widely used when working with nanoparticles, whereby ceramic iron oxide nanoparticles are deposited in a regular array. This is done with the help of organic oleic acid, which seeps into the narrow gaps between the nanoparticles and holds them together.

    "The self-organisation of these nanoparticles leads to an extended, closely packed supercrystal reminiscent of atomic crystal lattices," explains one of the authors, Axel Dreyer from the TUHH. The crucial discovery is that by subsequently exposing the material to moderate heat levels, the resulting nanocomposite displays a much stronger cohesion and its mechanical properties are unlike those of any other.

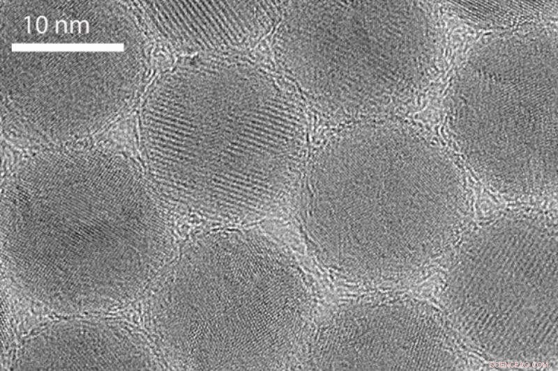
    Revealing a New Class of Nano Materials

    High resolution transmission electron microscope image of the iron oxide nanoparticles, immersed in oleic acid. Credit: TUHH

    On the smallest scale, the structure of the new material resembles that of biological hard tissues, such as mother of pearl and dental enamel. It consists of uniformly sized iron oxide nanoparticles, which are coated with oleic acid. In previous studies, the bonds between the oleic acid molecules were very weak and due to so-called Van der Waals' forces. By drying and pressing the material at an elevated temperature and then applying a controlled thermal treatment, the scientist have now managed to create a much stronger bond between the oleic acid molecules, thereby markedly improving the mechanical properties of the nanocomposite.

    Since oleic acid is very often used when processing other nanoparticles too, this new method could potentially improve the mechanical properties of a great many other nanocomposites as well. The bonding properties of the oleic acid, which serves as an adhesive, have been examined spectroscopically by the staff of the DESY-Nanolab. "Our measurements showed that the oleic acid molecules survive the thermal treatment and form additional crosslinks during the process," reports co-author Andreas Stierle, a Leading Scientist at DESY. "This important finding can serve as the basis for successfully modelling the mechanical properties of this novel material."


    Science Discoveries © www.scienceaq.com