• Home
  • Chemistry
  • Astronomy
  • Energy
  • Nature
  • Biology
  • Physics
  • Electronics
  • Scientists Develop Biodegradable Fiber-Optic Sensors for Safe In‑Body Monitoring
    Scientists Develop Biodegradable Fiber-Optic Sensors for Safe In‑Body Monitoring

    Fiber Bragg gratings are used to turn an optical fiber into a sensing element by reflecting a specific wavelength back in the direction from which it came. New dissolvable fiber Bragg gratings can be used as sensors in the body and are safe even if the fiber were to accidently break inside the patient. Credit: Maria Konstantaki, Foundation of Research and Technology - Hellas

    For the first time, researchers have fabricated sensing elements known as fiber Bragg gratings inside optical fibers designed to dissolve completely inside the body. The bioresorbable fiber Bragg gratings could be used for in-body monitoring of bone fracture healing and for safer exploration of sensitive organs such as the brain.

    A fiber Bragg grating is an optical element inscribed in an optical fiber, which is widely used as a sensing instrument. Although fiber Bragg gratings are commonly used for applications such as real-time monitoring of the structural health of bridges or tracking the integrity of airplane wings, until now they didn't exhibit characteristics preferred for use in the body. With a design that allows them to break down similarly to dissolvable stitches, the new glass fibers should be safe for patients even if they accidently break, according to the researchers.

    "Our work paves the way toward optical fiber sensors that can be safely inserted into the human body," said Maria Konstantaki, a member of the research team from the Institute of Electronic Structure and Laser (IESL) of the Foundation of Research and Technology - Hellas (FORTH), Greece, that fabricated and characterized the new gratings. "Because they dissolve, these sensors don't need to be removed after use and would enable new ways to perform efficient treatments and diagnoses in the body."

    The FORTH researchers collaborated with scientists from the Politecnico di Torino and Istituto Superiore Mario Boella, Italy, who developed, fabricated and characterized the special optical fiber used for the work. In The Optical Society (OSA) journal Optics Letters, the researchers show that gratings etched into the bioresorbable glass fiber dissolve under conditions simulating those of the human body.

    The new bioresorbable optical fiber Bragg gratings could be used to sense pressure at joints or act as tiny probes that can safely reach and assess the heart and other delicate organs. Laser-based techniques for removing tumors might also be improved with these optical fiber gratings, which could simultaneously deliver the laser beam and provide the accurate real-time temperature sensing necessary to monitor the laser ablation process.

    "This is the first time that a widely used and well-calibrated optical element such as a Bragg grating has been etched into a bioresorbable optical fiber," said Konstantaki. "Our approach could potentially be used to create various types of interconnected structures in or on bioresorbable optical fibers, allowing a wide range of sensing and biochemical analysis techniques to be performed inside the body."

    Scientists Develop Biodegradable Fiber-Optic Sensors for Safe In‑Body Monitoring

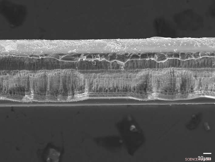
    Researchers inscribed a sensing element known as fiber Bragg grating into a glass optical fiber designed to dissolve completely inside the body. The image shows the side view of a bioresorbable fiber Bragg grating after it has dissolved in liquid. The gratings could be used as tiny probes that can safely reach and assess delicate organs. Credit: Maria Konstantaki, Foundation of Research and Technology - Hellas

    Making glass that dissolves

    To create optical fiber Bragg gratings that could be safely used in the body, the researchers developed a special type of glass made of phosphorous oxide combined with oxides of calcium, magnesium, sodium and silicon. "This glass combines excellent optical properties with biocompatibility and water solubility, thus providing a reliable platform from which to make optical fibers that dissolve in water or biological fluids," said Daniel Milanese from Politecnico di Torino. "The properties of the optical fibers can be tuned by properly changing the glass composition."

    Optical fiber Bragg gratings are created by using a laser to inscribe an optical fiber with a pattern that causes the fiber to reflect a specific wavelength back in the direction from which it came. A type of grating known as tilted optical fiber Bragg grating allows some of the reflected light to escape from the fiber core and enter into the surrounding cladding. Tilted gratings are often used for sensing because changes on the fiber cylindrical surface modify the back-reflected light in a way that can be monitored.

    The researchers created both tilted and standard optical fiber Bragg gratings to better understand how the parameters used for inscription affected the grating sensing characteristics. They found that exposing the bioresorbable fiber to ultraviolet laser light with a given spatial intensity distribution—which describes how the laser beam power is distributed—created a corresponding surface relief pattern in the optical fiber volume after dissolution.

    "This finding paves the way for new applications of these types of materials, particularly in the fiber form," said Stavros Pissadakis, who leads the FORTH group. "Complex fluidic or optical structures could be created using lasers to make a device with a host of tailored functionalities."

    After confirming that the patterns created by the inscription process operated as a fiber Bragg grating, the researchers immersed fibers with and without fiber Bragg gratings into a solution simulating the pH and temperature conditions of the human body for 56 hours. They found that the glass that had been etched with laser light dissolved faster than unexposed glass.

    The researchers are now performing systematic experiments to better understand how the fiber composition and ultraviolet laser irradiation conditions affect the speed at which the fiber Bragg grating dissolves. This information could be used to create fiber Bragg gratings that dissolve within a specific time period. Before being used in people, the dissolving and sensing properties of the fiber Bragg gratings will need to be studied in animals.

    Science Discoveries © www.scienceaq.com