• Home
  • Chemistry
  • Astronomy
  • Energy
  • Nature
  • Biology
  • Physics
  • Electronics
  • Evaluating the Environmental Impact of Plant Skeletons from Biofuel Combustion
    Evaluating the Environmental Impact of Plant Skeletons from Biofuel Combustion

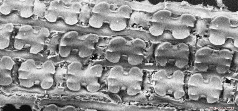
    Scanning electron microscope images of Miscanthus reveal strings of two-lobed phytoliths, each one just 18 micrometers in length. Credit: Ruggero Vigliaturo

    As a renewable resource, biomass presents an appealing alternative to fossil fuels for energy production. Burning plants, however, is not a completely clean process; it produces emissions that vary depending on the species used, the combustion conditions, and the air pollution controls.

    To understand one component of these emissions, an international, multidisciplinary team led by University of Pennsylvania mineralogists used highly sensitive microscopy to study phytoliths, small deposits of minerals containing silicon or calcium present in certain plants. These chemical elements are absorbed from the soil along with other nutrients. The phytoliths lend plants strength and structure and are common in some plant families commonly used for biofuel, such as grasses.

    Reporting in Industrial Crops and Products, the researchers found that phytoliths remain after plants are burned in a biofuel combustion facility but in particle sizes large enough that they likely don't pose a health risk. But because phytoliths can reduce the efficiency of energy conversion, power plants must factor them into their operations, the team notes. On the other hand, the phytolith-containing ash resulting from combustion could be sold for use in cement production or as fertilizer.

    "This is an interesting topic because biomass burning can have a lot of benefits but also some unintended consequences," says Reto Gieré, an environmental scientist at Penn and senior author on the study. "We need to think of such consequences when we want to apply these methods at a large scale."

    Known as the skeleton of plants, phytoliths are mostly studied in the field of archaeology; preserved phytoliths from ancient plants tell paleobotanists about prehistoric ecosystems and agricultural crops. But these residues are now proving interesting to engineers, geologists, and chemists who study the role of phytoliths during biomass combustion and their potential environmental impacts.

    Evaluating the Environmental Impact of Plant Skeletons from Biofuel Combustion

    Chinese silver grass, Miscanthus sinensis, is a common source of biomass, burned to produce electricity or heat in power plants. Each piece is roughly 2-3 centimeters in length. Credit: Reto Gier

    Gieré and Ruggero Vigliaturo, a postdoctoral researcher in Gieré's lab with expertise in electron microscopy who is the first author on the study, collaborated with engineers, chemists, and environmental scientists in France, Germany, and the United States to closely examine the phytoliths present in a fast-growing plant species commonly used in biofuel operations: Miscanthus sinensis, or Chinese silver grass.

    The scientists extracted phytoliths from dried-grass samples and from the material collected in a biomass power plant's cyclone, an air pollution control device. Using both optical and scanning electron microscopy, the researchers observed phytoliths in the raw material as well as in the fly ash collected from the power plant's cyclone. Fluorescence optical microscopy was particularly well suited to distinguish the structure of the phytoliths, they found.

    Chemical analyses revealed that the Miscanthus phytoliths were composed primarily of silica, which, when inhaled, has been linked to respiratory problems.

    "However, the phytoliths themselves are actually fairly large," says Gieré, "and too big to go deep into our lungs."

    Because phytoliths themselves do not combust in power plants, they reduce the overall efficiency of the operations and could clog the flue-gas ducts with particulate matter, the researchers note.

    Evaluating the Environmental Impact of Plant Skeletons from Biofuel Combustion

    A technique known as X-ray mapping helped researchers identify the distribution of elements, such as silicon (Si) and oxygen (O) in the phytoliths. Credit: Ruggero Vigliaturo

    Yet phytoliths aren't all bad. They provide needed minerals to plants, and thus the ash leftover from biomass burning can be used as fertilizer. And just as coal ash is used as a binder in cement production, the phytolith-containing ash could also find a second application in that industry, which is notorious for its contribution to global carbon emissions. The use of biomass ash would lower the carbon footprint of cement production.

    In addition, Miscanthus sinensis appears to take up remarkable amounts of zinc and cadmium as it grows, the researchers found. If planted on land contaminated with these metals, the crop could remediate the land.

    "Then we could harvest the crop, burn it for energy, and if we find the right mechanism, recover the zinc and the cadmium from the ash, which then can be used as secondary raw material in the cement industry," Gieré says.

    As a next step, the researchers are hoping to use transmission electron microscopy to get even finer-scale data on the composition and structure of phytoliths in a given sample of ash, information that could help biomass power plants tailor their air pollution control devices and fuel input accordingly.

    And because every plant species has a different phytolith profile, each one must be studied independently. The researchers are embarking on a study of rice phytoliths, as the rice stalks left after harvesting could be a valuable source of biofuel.

    "Most rice straw is currently burned in the field," says Gieré. "Controlled combustion of rice straw, however, is a potential use for what is now a waste product. It would also eliminate a huge problem in Southeast Asia because the hazes from the uncontrolled rice field fires result in tremendous pollution that has a major impact on millions of people."


    Science Discoveries © www.scienceaq.com