• Home
  • Chemistry
  • Astronomy
  • Energy
  • Nature
  • Biology
  • Physics
  • Electronics
  • Fully Uninterrupted Bioelectric Signal Capture with Innovative Integrated Circuit System
    Fully Uninterrupted Bioelectric Signal Capture with Innovative Integrated Circuit System

    Credit: DGIST (Daegu Gyeongbuk Institute of Science and Technology)

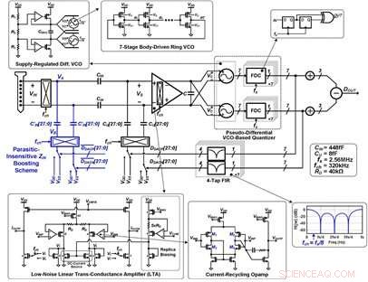
    The team led by Professor Lee Jung-hyup of the Department of Electrical Engineering and Computer Science has developed an integrated circuit system converting analog signals into digital signals that can obtain all kinds of bio-electrical signals. This newly developed technology can precisely measure the electrical signals generated by the human body even in an environment with strong external noise. It could be used in technologies such as brain-machine interfaces and ultra-small, high-performance medical devices.

    Electrical signals generated in the living body include electrocardiogram (ECG), brain electroencephalogram (EEG), and electro-neurogram (ENG) generated from the heart, and each signal has different signal characteristics. For example, in the case of an electroencephalogram, the signal size is very small, at the level of 1 microvolt. In the case of electroneurogram, the frequency range occupied by the signal is very wide compared to other signals. It requires over 10 times bandwidth. Due to this difference, the biosignal measurement technology developed so far was able to acquire only a specific signal in a stable environment with almost no noise. It was difficult to expand or apply it to other technological fields.

    Under these circumstances, Professor Lee Jung-hyup's team successfully developed an analog-to-digital signal conversion system capable of measuring all bioelectrical signals even in a very poor environment where electrical stimulation interference that is up to tens of thousands of times larger than the measured signal and motion artifacts that may be caused by the movement of the subject. Since the system is developed with semiconductor integrated circuits, it is ultra-low power, compact and versatile, which makes it very easy to apply.

    Professor Lee Jung-hyup's team proposed a low-noise, high-linearity circuit technology based on continuous-time delta-sigma conversion technology. In addition, the team developed a circuit technique for increasing input impedance that is robust against parasitic components.

    Professor Lee Jung-hyup of the Department of Electrical Engineering and Computer Science at DGIST said, "It is a technology that can be a great help to miniaturization and high performance of existing related medical devices by enabling precise measurement of various biosignals with a single semiconductor IC (integrated circuit) system. It can be applied to various applications such as the next-generation brain-machine interface, micro-wearable diagnostic device, and electronic medicine, which are drawing enormous attention as future technologies."

    Science Discoveries © www.scienceaq.com