• Home
  • Chemistry
  • Astronomy
  • Energy
  • Nature
  • Biology
  • Physics
  • Electronics
  • Inside the Skin: How Demodex Mites Influence Facial Health
    Inside the Skin: How Demodex Mites Influence Facial Health

    Image showing Demodex folliculorum mite on skin under Hirox microscope. Credit: University of Reading

    Microscopic mites that live in human pores and mate on our faces at night are becoming such simplified organisms, due to their unusual lifestyles, that they may soon become one with humans, new research has found.

    The mites are passed on during birth and are carried by almost every human, with numbers peaking in adults as the pores grow bigger. They measure around 0.3 mm long, are found in the hair follicles on the face and nipples, including the eyelashes, and eat the sebum naturally released by cells in the pores. They become active at night and move between follicles looking to mate.

    The first ever genome sequencing study of the D. folliculorum mite found that their isolated existence and resulting inbreeding is causing them to shed unnecessary genes and cells and move towards a transition from external parasites to internal symbionts.

    Dr. Alejandra Perotti, Associate Professor in Invertebrate Biology at the University of Reading, who co-led the research, said, "We found these mites have a different arrangement of body part genes to other similar species due to them adapting to a sheltered life inside pores. These changes to their DNA have resulted in some unusual body features and behaviors."

    Demodex folliculorum mite under a microscope walking. Credit: University of Reading

    The in-depth study of the Demodex folliculorum DNA revealed:

    • Due to their isolated existence, with no exposure to external threats, no competition to infest hosts and no encounters with other mites with different genes, genetic reduction has caused them to become extremely simple organisms with tiny legs powered by just 3 single-cell muscles. They survive with the minimum repertoire of proteins—the lowest number ever seen in this and related species.
    • This gene reduction is the reason for their nocturnal behavior too. The mites lack UV protection and have lost the gene that causes animals to be awakened by daylight. They have also been left unable to produce melatonin—a compound that makes small invertebrates active at night—however, they are able to fuel their all-night mating sessions using the melatonin secreted by human skin at dusk.
    • Their unique gene arrangement also results in the mites' unusual mating habits. Their reproductive organs have moved anteriorly, and males have a penis that protrudes upwards from the front of their body meaning they have to position themselves underneath the female when mating, and copulate as they both cling onto the human hair.
    • One of their genes has inverted, giving them a particular arrangement of mouth-appendages that are especially protruding for gathering food. This aids their survival at young age.
    • The mites have many more cells at a young age compared to their adult stage. This counters the previous assumption that parasitic animals reduce their cell numbers early in development. The researchers argue this is the first step towards the mites becoming symbionts.
    • The lack of exposure to potential mates that could add new genes to their offspring may have set the mites on course for an evolutionary dead end, and potential extinction. This has been observed in bacteria living inside cells before, but never in an animal.
    • Some researchers had assumed the mites do not have an anus and therefore must accumulate all their feces through their lifetimes before releasing it when they die, causing skin inflammation. The new study, however, confirmed they do have anuses and so have been unfairly blamed for many skin conditions.
    • Inside the Skin: How Demodex Mites Influence Facial Health

      Image shows unusually-positioned penis of a Demodex folliculorum mite. Credit: University of Reading

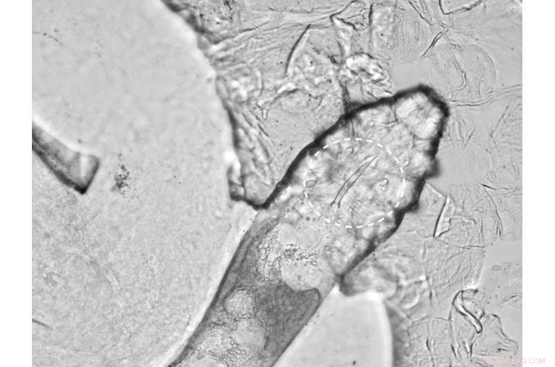
    • Inside the Skin: How Demodex Mites Influence Facial Health

      Microscope image of the posterior end of the anus of a Demodex folliculorum mite. The presence of an anus on this mite had been wrongly overlooked by some previously, but this study confirmed its presence. Credit: University of Reading

    The research was led by Bangor University and the University of Reading, in collaboration with the University of Valencia, University of Vienna and National University of San Juan. It is published in the journal Molecular Biology and Evolution.

    Dr. Henk Braig, co-lead author from Bangor University and the National University of San Juan, said, "Mites have been blamed for a lot of things. The long association with humans might suggest that they also could have simple but important beneficial roles, for example, in keeping the pores in our face unplugged."

    Science Discoveries © www.scienceaq.com